《GB/T 2900.26-2008電工術語 控制電機》定義:脈沖電機是指將轉子的軸位移轉變為旋轉運動的電磁裝置。
脈動電機是一種介于電機和電器之間的電動機。脈動電機既有步進電動機的特點,與驅動電脈沖序列同步,可以作步距角為 30°的步進增量運動;又有步進繼電器的特點,可以循環接通12位開關片,提供不同組合的控制信號。
同時,脈動電機又可以將電能轉換為電磁轉矩,驅動開關片、離合器等負載,所以被歸類于特種電機的范疇。

圖1:40MD0型脈動電機開關組
脈動電機通常與開關片的組合,被稱為脈動電機開關組。以40MD0型脈動電機開關組為例進行說明。40MD0型脈動電機開關組由電磁頭、機械步進機構和開關片三部分組成,如圖1所示。

圖2:脈動電機電磁頭
電磁頭部分包括定子和轉子,如圖2所示。定子由定子鐵心、機殼和螺管線圈等組成。轉子由轉子軸、撥叉和銜鐵板等組成。

圖3:脈動電機定子機殼和銜鐵板上的凹槽
轉子銜鐵板與定子機殼上有三對相互對應的凹槽,槽內裝有鋼珠,如圖3所示。所帶開關片多為四層(可增加到六層)單刀12位開關片,通過扁軸和拉緊螺桿與脈動電機的輸出軸和安裝板相連。另外,在機械步進機構處還有一對純銀常閉觸點。
根據電磁鐵原理,當螺管線圈通電時,定子鐵心將沿軸向對轉子鐵心產生吸力。定子機殼和轉子銜鐵板之間的三對凹槽是按阿基米德螺旋線設計加工的,這樣,槽內鋼珠便在軸向力的作用下滾動,使轉子相對于定子旋轉而產生軸向運動,以求兩者間達到最小氣隙。此時,轉子帶動撥叉,撥動機械步進機構,從而使輸出軸每次通電步進旋轉 30°,并帶動軸上開關片換接一位。
螺管線圈通電時間很短暫,這是因為螺管線圈直流電阻只有 12 Ω,若通電時間太長,線圈容易發熱燒毀。當螺管線圈斷電時,由于復位彈簧的復位作用,轉子被復位到初始位置,準備下一步動作。輸出軸則由于機械步進機構的定位制動作用,不再退回原位,從而保證開關片在步進運動的狀況下輪換接通。同時,每完成一次步進運動,接點架上所帶的一對常閉觸點MK隨之開合一次。
脈動電機常應用于開關組編碼、無線電波段的遙控切換及工業控制等場合。以下介紹幾個脈動電機的具體應用例子。
脈動電機開關組用于電機壽命試驗的時序控制電路如圖4所示。脈動電機開關組控制微型直流伺服電機SM工作1 min、休息 3 min,再反轉工作1 min、休息 3 min,依次循環。

圖4:電機壽命試驗的時序控制電路
晶閘管3CT5與脈動電機螺管線圈、常閉觸點MK串聯接入27 V直流電源。當定時1 min 脈沖觸發晶閘管導通時,脈動電機被接通而步進一步,開關片換接一位。與此同時,MK 被頂開,晶閘管陽極斷電終止導通,脈動電機斷電復位,等待下一個時鐘脈沖。如此晶閘管 1 min導通一次,電機就每分鐘步進一步帶動開關片換接一位。通過開關片上的接線,便可控制被試微型直流伺服電機工作1 min、休息 3 min,再反轉工作1 min、休息3 min,如此不斷循環往復。
可以看出,用脈動電機開關組可方便地實現類似伺服電機壽命試驗一類的時序控制,而且只需有一套脈動電機開關組即可。本方法只說明一種控制原理,在實際應用中,由于用開關片通、斷直流電機,脈動電機觸點容易拉弧且容量有限,所以只能用于微型直流伺服電機壽命試驗,且應多層開關片并聯,觸點還應并接阻容吸收回路。
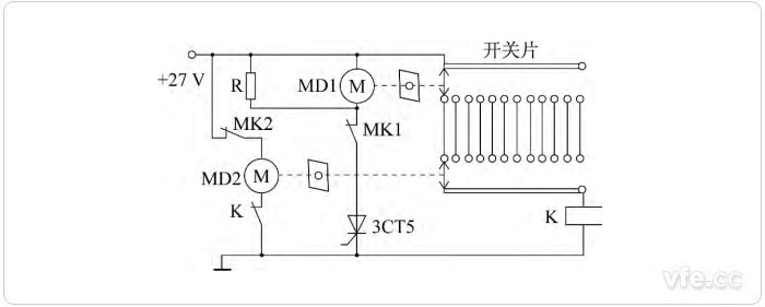
遠距離同位開關電路如圖5所示。

圖5:遠距離同為開關電路
當電源接通時,在沒有外控輸入信號的情況下,主動脈動電機MD1與從動脈動電機 MD2 必定處于同位位置,即MD1在1位置,MD2也必須在1位置。一旦MD1在外控脈沖作用下跳到其他位置, MD2 必定要跟蹤追隨到同位位置。即使斷電初始兩機位置相差較遠,開機通電后,MD2也會自動尋找到MD1位置才停步,由此達到兩機同位。
具體工作原理是:當兩機處于同位位置時,輔助繼電器K通過兩機開關片的相同位置被接通,其常閉觸點斷開,將MD2的電源切斷,MD2不再動作;當MD1在外控脈沖控制下跳開同位位置時,繼電器K斷電,其常閉觸點閉合,接通MD2電源,MD2 通過自身常閉觸點產生自給脈沖而跳步,只有MD2追隨到同位位置,繼電器K才能被接通,其常閉觸點斷開,切斷MD2電源,MD2停步,從而達到同位目的。這種同位開關,可用于有毒、高溫,以及人員不便到達的場合,實現設備的遠距離控制。
MD1也可用手動單刀十二位開關片代替,手轉開關片到某一位置,MD2便追隨手動開關片到某一位置。當然,還可用其他機械接通裝置代替MD1,以達到特定的控制目的。另外,MD2 可以是一臺,也可以是多臺。