根據電磁定律,當磁場變化時,附近的導體會產生感應電動勢,其方向符合法拉第定律和楞次定律,與原先加在線圈兩端的電壓正好相反,這個電壓就是反電動勢。電動機的轉子轉動切割磁力線產生一個感應電勢,其方向與外加電壓相反,故稱為電機“反電動勢”。
電路中存在多個電源時可能出現反電動勢。比如同一導軌回路上的兩根金屬棒切割磁場的速度不等,有可能出現反電動勢;動生電動勢和感生電動勢同時存在時可能出現反電動勢。對線圈而言,其中的通電電流發生變化時就會在線圈的兩端產生反電動勢。比如LC振蕩電路中電感線圈兩端電壓的變化與反電動勢緊密聯系;電動機線圈在轉動時,反電動勢也伴隨產生了。
電動機的原理初中就能理解,是將電能轉化為機械能的裝置,通電的線圈在磁場里受到磁場對它的安培力的作用,使得線圈繞軸旋轉。安培力是線圈轉動的動力來源。如果我們只看到安培力的動力作用,電動機的線圈會不斷地加速,這顯然是不可能的,因為每個電動機都有一個最大的轉速。這個最大的轉速是如何形成的呢?
通電瞬間線圈幾乎不動而電流最大,安培力產生的轉動力矩遠大于阻力矩,線圈開始轉動。線圈轉動時它就開始切割磁感線,在線圈中產生一個“反向電動勢E反”,與加載在線圈外部的電勢差U(外部電源提供)相反,起減小電流的作用。開始時刻反向電動勢很小,電流很大,安培力的轉動力矩較大,轉速逐漸加大。隨著轉速的加大,反向電動勢增大,線圈中的電流也就減小了,安培力的轉動力矩減小到與阻力矩抗衡時就是電動機的最大速度的時候。
1) 轉子角速度
2) 轉子磁場產生的磁場
3) 定子繞組的匝數當電機設計完畢,轉子磁場與定子繞組的匝數都是確定的。因此位移決定反電動勢的因數是轉子角速度,或者說是轉子轉速,隨著轉子速度的增加,反電動勢也隨之增加。
通常情況下,只要存在電能與磁能轉化的電氣設備中,在斷電的瞬間,均會有反電動勢,反電動勢有許多危害,控制不好,會損壞電氣元件。
克服反電動勢最簡單有效的方法,是在線圈兩端反向并聯一支二極管,當產生反電動勢時,電流通過二極管釋放,從而保護控制元件。
這是從大禹治水的方法中學到的,對于洪水,要疏導,讓它流入大海,而不是堵,堵是堵不住的。采用上述方法以后,磁能轉化為電能,電能又全部轉化為熱能散發掉了。
反電動勢也是有很多用處的,某些情況下是可以有效利用起來的,下面通過介紹延時繼電器工作原理介紹反電動勢的有效利用。

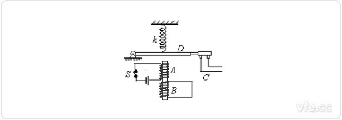
圖示:延時繼電器構成原理圖
圖示是生產中常用的一種延時繼電器的示意圖。鐵芯上由兩個線圈A和B。線圈A跟電源連接,線圈B的兩端接在一起,構成一個閉合電路。在拉開開關S的時候,彈簧K并不能立即將銜鐵D拉起,從而使觸頭C(連接工作電路)立即離開,過一段時間后觸頭C才能離開;延時繼電器就是這樣得名的。
拉開開關S時使線圈A中電流變小并消失時,鐵芯中的磁通量發生變化(減小),從而在線圈B中激起感應電流,根據楞次定律,感應電流的磁場要阻礙原磁場的減小,這樣,就使鐵芯中磁場減弱得慢些,因此彈簧K不能立即將銜鐵拉起。