羅氏線圈(Rogowski線圈)又叫電流測量線圈、微分電流傳感器,主要用于測量交流電流。羅氏線圈工作原理是線圈骨架圍繞被測導體,導體周圍的磁場會隨著導體中電流的改變而改變,骨架上的漆包線會因此感應出電動勢。根據數學推導,該電動勢與導體中電流的導數成正比,而比例系數跟線圈匝數、骨架橫截面、磁導通率等有關,將該電動勢積分運算后可還原導體中的電流。一個完整的羅氏線圈電流測量系統應該包括一個線圈和一個積分器,下面我們通過對線圈及積分器的介紹,讓大家對羅氏線圈工作原理有一個詳盡的了解。
一羅氏線圈工作原理

圖示:羅氏線圈探頭基本結構原理示意圖
羅氏線圈是一種空心環形的線圈,有柔性和硬性兩種,可以直接套在被測量的導體上來測量交流電流。其設計基本原理如上圖所示:
羅氏線圈測量電流的理論依據是法拉第電磁感應定律和安培環路定律,當被測電流沿軸線通過羅氏線圈中心時,在環形繞組所包圍的體積內產生相應變化的磁場,強度為H,由安培環路定律得:
∮H·dl=I(t)
由B=μH,e(t)=dΦ/dt,Ф=N∫B·dS,e(t)=M·di/dt,得:
其截面為矩形時,互感系數M和自感系數L分別為:
M=μ0Nhln(b/a)/2π
L=μ0N^2hln(b/a)/2π
上式中,H為線圈內部的磁場強度,B為線圈內部的磁感應強度,μ為真空磁導率,N為線圈匝數,e(t)為線圈兩端的感應電壓a、b分別為線圈橫截面的內外徑,h為截面高度。由此可見,線圈一定時,M為定值,線圈的輸出電壓與di/dt成正比。
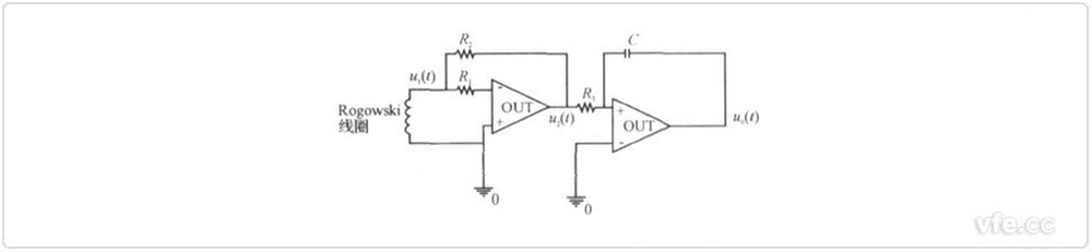
二積分器工作原理
若想準確將羅氏線圈的線圈感應電動勢輸出還原為測量的交流電流i,還必須加一個反相積分電路。因羅氏線圈感應出的電壓很小,為了放大該感應電壓,須在積分器前面加一放大電路。積分是一個非常重要的環節,被還原的信號非常小,為方便測量,先將信號放大再積分,這樣一方面可以增大還原信號,另一方面,電容的存在可以過濾掉不必要的干擾。積分器通過對羅氏線圈感應電壓的放大和積分處理,可還原出所測量的交流電流。放大積分電路原理圖如下所示:

圖示:放大積分電路原理示意圖