根據定義,電流互感器中儀表保安系數,僅僅適用于測量級的電流互感器,一般推薦值為5或10。在正常工作條件下,它應符合規定的準確級要求, 以保證測量準確。 然而電力系統中使用的電流互感器往往因系統故障或操作,會有很大的過電流流過一次繞組。在這種儀表保安電流情況下則希望二次電流不再嚴格按比例增長,以避免二次回路所接的儀器、 儀表受到大電流沖擊, 因此對測量用電流互感器提出了儀表保安系數的要求。在系統故障電流通過電流互感器時,對二次儀表起保護作用,FS越小,二次儀表越安全。
系統故障時通過短路電流引起鐵芯飽和,導致勵磁電流顯著增加,電流互感器的傳變誤差加大,二次波形產生畸變,而由于電流互感器鐵芯的非線性勵磁特性,勵磁阻抗呈現非線性,這樣互感器不能以正常的誤差來表示,所以引入復合誤差。

圖1 電流互感器的等效電路圖

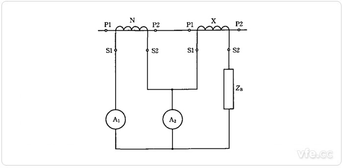
圖2 電流互感器復合誤差測量電路圖
采用兩臺同樣電流比的電流互感器,電流互感器N為基準互感器,電流互感器X為被測互感器。兩個互感器的原邊由同一個正弦波電流源供電,副邊短接。如圖2所示,電流表A2測量副邊電流之差的有效值I2和相位θ2,也就是復合誤差。電流表A1測量基準互感器二次電流的有效值I1和相位θ1。
被測電流互感器角差即為θ1-θ2;
根據復合誤差的定義:在數值上,復合誤差的平方 = 角差的平方 + 比差的平方,進而根據測量值推算出被測電流互感器比差。