
大家應該都聽所過這樣一個故事: 18世紀中葉,法國昂熱市一座102米長的大橋上有一隊士兵經過。當他們在指揮官的口令下邁著整齊的步伐過橋時,橋梁突然斷裂,造成226名官兵和行人喪生。因為大隊士兵邁正步走的頻率正好與大橋的固有頻率一致,使橋的振動加強,當它的振幅達到最大以至超過橋梁的抗壓力時,橋就斷了。類似的事件還發生在俄國和美國等地。鑒于成隊士兵正步走過橋時容易造成橋的共振,所以后來各國都規定大隊人馬過橋,要便步通過。
在物理學里,有一個概念叫共振:當策動力的頻率和系統的固有頻率相等時,系統受迫振動的振幅最大,這種現象叫共振。
電路里的諧振其實也是這個意思:當電路中激勵的頻率等于電路的固有頻率時,電路的電磁振蕩的振幅也將達到峰值。實際上,共振和諧振表達的是同一種現象。這種具有相同實質的現象在不同的領域里有不同的叫法而已。
由電感L和電容C組成的,可以在一個或若干個頻率上發生諧振現象的電路,統稱為諧振電路。即含有電感和電容的電路,如果無功功率得到完全補償,使電路的功率因數等于1(U、I同相),則稱此電路處于諧振狀態。
諧振電路分為串聯諧振和并聯諧振。串聯諧振電路為L與C串聯時U、I同相;并聯諧振為L與C并聯時U、I同相。
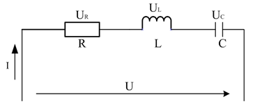
1LC串聯諧振電路
如上圖所示為LC串聯諧振電路,在可變頻的正弦電壓源U激勵下,由于感抗、容抗隨頻率變動,所以,電路中的電壓、電流響應亦隨頻率變動。根據相量法,電路的輸入阻抗Z可表示為
Z=R+j(ωL-1/ωC)
可以看出,由于串聯電路中同時存在著電感L和電容C,兩者的頻率特性不僅相反(感抗與ω成正比,而容抗與ω成反比),而且直接詳見(電抗角差180°)。可以肯定,一定存在一個角頻率ω0,使得感抗和容抗相互完全抵消。
即ω0L-1/ω0C=0
這只有在電感和電容同時存在時,上述條件才能滿足。又上式克制電路發生諧振的角頻率ω0和頻率f0為:
ω0=1/√(LC) f0=1/2π√(LC)
可以看出,LC串聯電路的諧振頻率只有1個,而且,僅與電路中L、C有關,與電阻R無關。ω0(或f0)稱為電路的固有頻率。因此,只有當輸入信號U的頻率與電路的固有頻率相同時,才能在電路中激起諧振。
諧振時,L、C串聯端口相當于短路,但UL、UC分別都不等于零,兩者模值相等且反向,相互完全抵消。根據這一特點,串聯諧振又稱為電壓諧振。此外。工程上將式中的壁紙ω0L/R=1/ω0CR定義為諧振電路的品質因數Q,即
Q=ω0L/R=1/ω0CR=1/R*√(L/C)
LC串聯諧振電路的特點
(1)諧振時,電路阻抗最小,且為純電阻;
(2)諧振時,電路的電抗為零,感抗與容抗相等并等于電路的特性阻抗;
(3)當電源電壓一定時,諧振電流最大;
(4)電路在諧振時,電容上的電壓與電感L上的電壓相位相反、大小相等,都等于電源電壓的Q倍(Q為電路品質因數)。
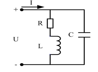
2LC并聯諧振電路
并聯諧振的定義與串聯諧振的定義相同,即在端口上的電壓U與輸入電流I同相時的工作狀況稱為諧振。分析方法與LC串聯電路相同,并聯諧振條件為ω0C-1/ω0L=0,可得
ω0=1/√(LC) f0=1/2π√(LC)
并聯諧振時有IL+IC=0(所以并聯諧振又稱電流諧振)
LC并聯諧振電路的特點
(1)諧振時,回路的阻抗最大,且Z=R;
(2)諧振時的回路端電壓最大,且與激勵源同相;
(3)電路在諧振時,電容之路和電感之路的電流幾乎大小相等、相位相反。二者的大小近似等于激勵電源的Q倍。
收音機利用的就是諧振現象。轉動收音機的旋鈕時,就是在變動里邊的電路的固有頻率。在某一點,電路的頻率和空氣中原來不可見的電磁波的頻率相等起來,于是,它們發生了諧振。遠方的聲音從收音機傳出來。這聲音就是諧振的產物。
還比如電視機的中頻抑制回路(串聯諧振)、濾除干擾頻率(并聯諧振)、安裝在電網與電燈之間的電子鎮流器等等。
在電力系統中,電網參數的不利組合及其他原因,都可能引起系統中電磁能量的瞬間突變,形成諧振過電壓。諧振過電壓分為線性過電壓和非線性過電壓(也稱鐵磁諧振過電壓)兩種。當諧振發生時,其電壓幅值高、變化速度快、持續時間長,輕則影響設備的安全穩定運行;重則可使開關柜爆炸、炸毀設備,甚至造成大面積停電等嚴重事故。