DT數字變送器與電壓互感器接線圖_V/V接線法
- 瀏覽次數:17246次
- 發布時間:2013/9/17 10:38:05
- 作者:cw_yinhe
【摘要】V/V接法常見于三相三線制電壓互感器接線圖中,本文介紹了DT數字變送器與V/V接法電壓互感器的組合使用方法,該法有效避免了二次線路對互感器測量準確度的影響。
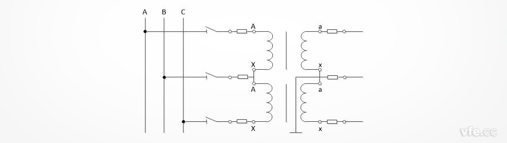
一電壓互感器接線圖_V/V接線
V/V接法就是將兩臺單相電壓互感器分別接于線電壓Uab、Ubc上,一次側和二次側接線均成V型,故而得名。其二次側B相接地,但一次側不接地,否則會造成接地短路。V/V接線圖是常見的電壓互感器接線圖,其原理如圖1所示。

圖1.采用V/V接線法的電壓互感器接線圖
電壓互感器V/V接線法廣泛應用于中性點不接地或經消弧線圈接地的35kV及以下的高壓三相系統中。V/V接法不僅能節省一臺電壓互感器,還能滿足三相電能計量所需的線電壓。這種電壓互感器接線法的缺點就是不能測量相電壓,無法監測系統單相接地故障。
二DT數字變送器在電壓互感器V/V接線法中的應用方案
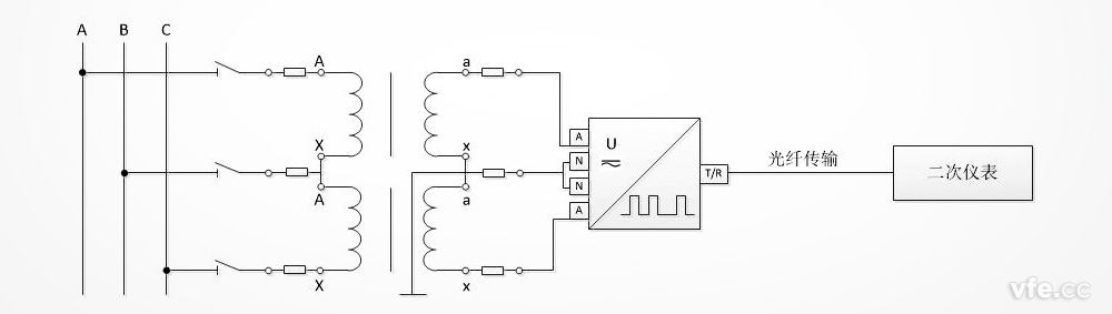
測量用電壓互感器的額定二次輸出電壓為100V,可過載至120%,即輸出電壓為0~120V,因此,采用量程為120V的雙路電壓輸入DT122型數字變送器。
DT122數字變送器在電壓互感器V/V接線法中的應用原理如圖2所示。

圖2.電壓互感器接線圖_DT122數字變送器在電壓互感器V/V接線法中的應用
DT122數字變送器是銀河電氣生產的一款雙通道電壓測量數字變送器,其輸出為數字化光纖接口。在高壓三相系統中電壓互感器V/V接線法中,搭配使用DT122雙通道電壓數字變送器測量兩臺電壓互感器二次輸出,可將電壓互感器輸出的模擬電壓信號就地數字化,用光纖將數字信號從電壓互感器處傳到遠處控制室。
一般采用互感器VV接法時,采用兩個電壓互感器和三個電壓表完成三相電壓的測量。DT122數字變送器通過對兩個電壓通道的高速交流同步采樣,根據基爾霍夫電壓定律,直接計算出第三相電壓,一個DT數字變送器,即可實現三相電壓的測量。
采用DT122數字變送器測量電壓互感器二次輸出電壓信號的優勢在于:
1、DT數字變送器可安裝在互感器附近,測量信息通過光纖傳輸至二次儀表,縮短了互感器的二次負荷連線,有效減小了二次負荷對互感器測量準確度的影響。
2、在傳統模擬信號傳輸中,模擬電壓信號通過長導線后會產生較大的衰減和失真,從而引入誤差。將電壓互感器輸出的模擬電壓信號就地數字化后采用光纖傳輸,可保證信號幾乎沒有任何衰減和失真,避免了因長距離傳輸而引入誤差對電壓測量精度的影響。
3、信號光纖傳輸不會受到現場強電磁干擾的影響,可靠性高。從而避免了傳輸過程中信號受到干擾的問題,提高測量結果的準確度。
4、采用數字化光纖作為電壓互感器二次信號傳輸的方式,符合數字化自動化系統的發展趨勢。