PWM是英文pulse-width modulation的縮寫,意為脈沖寬度調制。《通信科學技術名詞》第一版這樣定義PWM:脈沖寬度隨調制信號的變化而改變的脈沖調制。
控制理論中有一個重要結論:沖量相等而形狀不同的窄脈沖加在具有慣性的環節上時,其效果基本相同。PWM控制技術就是以該結論為理論基礎,通常,我們可以通過對半導體開關器件的通斷控制,輸出一系列占空比可調的脈沖,用以等效正弦波或其他所需要的波形。
電機就是典型的具有慣性的環節,PWM常用于等效可變的直流電(直流斬波電源)驅動直流電機,也常用于等效的正弦交流電SPWM或SVPWM(逆變器、變頻器、變流器等)驅動交流電機。
之所以采用PWM、SPWM、SVPWM等手段去等效各種所需的波形,而不是直接產生需要的波形,是因為這些應用往往需要輸出大功率電能,此時,采用開關技術可以大幅度提升電能的利用率,限于目前電力電子技術的特點,還不能直接輸出這些波形,而是輸出與之功效基本相當的PWM波形。因此,也有將SPWM波形稱為“疑似正弦波”。

PWM波形
將正弦半波按調制周期等分為N等份,這些等分出來的波形可以看做寬度相等、幅值不等、脈沖頂部為曲線的脈沖,如圖1所示。將這些脈沖用相同數量的等幅不等寬的矩形脈沖代替,且使矩形脈沖和相應的正弦波部分面積相等,這就得到下圖所示的波形。

等分正弦波等效成面積相同的脈沖信號
通過調節脈沖寬度可以實現各種所需的波形。以正弦波為例,如下圖所示,用開關來控制直流電的通斷,輸出占空比不同脈沖,按照按正弦的變化規律,通過控制開關通斷的時間,使其輸出的脈沖電壓的面積與所希望輸出的正弦波在相應區間內的面積相等,將等效面積合并起來就是我們需要的正弦波。

最簡單的PWM實現過程

用開關模擬單極性PWM實現過程
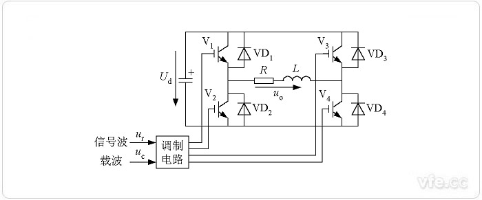
將上圖中的開關用IGBT代替,通過調制電路控制IGBT通斷,在ur和uc交點時刻來判斷IGBT的通斷,應用中如下圖所示:

單極性SPWM的調制電路

單極性SPWM的調制方法
ur正半周,V1保持通,V2保持斷
——當ur>uc時,使V4通,V3斷,uo=Ud ;
——當﹤uc時,使v4斷,v3通,uo=0 。
ur負半周,V1保持斷,V2保持通
——當ur>uc時,使V4通,V3斷,uo=0;
——當ur﹤uc時,使v4斷,v3通,uo=-ud。
依據PWM的等效方式,可以分為變脈寬PWM、等脈寬PWM、變周期PWM、等周期PWM、隨機PWM、單極性PWM、雙極性PWM、SPWM、SVPWM等等。
首先,變脈寬PMW比較容易理解,因為PWM作為一種調制方式,調制的就是脈沖寬度。問題是,等脈寬也能稱為PWM嗎?
能!
一般而言,我們說的脈寬,是指一個調制周期T內的高電平寬度,等脈寬高電平寬度不變,但是低電平寬度是變化的,可以理解為調制的就是低電平寬度。

等脈寬PWM
具體而言,被調制信號幅值較小時,取較寬的低電平寬度,被調制信號幅值較大時,取較窄的低電平;始終能保持調制周期內脈沖面積與被調制信號的面積相等。符合PWM的面積相等原則。
細心的同學會發現,變脈寬PWM的調制周期不變,高電平和低電平寬度同時變化,此消彼長,此長彼消!等脈寬PWM的高電平寬度不變,低電平寬度與調制周期按照相同的方向在變化;當被調制信號相等,且PWM幅值相等時,兩者的占空比相等。
依據上述分析,等脈寬PWM屬于變周期PWM的一種,而等周期PWM一定是變脈寬PWM。
隨機PWM是指PWM的調制周期是隨機變化的,當然,隨機是相對的,有規律是絕對的,某些變頻器采用隨機PWM時,就是使整數個PWM的調制周期與被調制的正弦波信號的周期相等,提高等效波形(基波)的質量。
由下面兩幅圖可直觀的看出單極性PWM與雙極性PWM的區別及名稱的來由。

單極性PWM

雙極性PWM
SPWM是英文Sinusoidal Pulse Width Modulation的縮寫,意為正弦脈寬調制。某種角度上講,不能算是PWM的一種分類,因為只是表明被調制信號是正弦波,并沒有對調制方式進行限制。但是,因為SPWM應用廣泛,大量的學者針對調制效果對SPWM開展了大量研究,也對調制方法提出了若干改良的意見,SPWM是一種實用技術,而其復雜程度,遠遠大于上述幾種PWM。
SVPWM是英文Space Vector Pulse Width Modulation的縮寫,意為空間矢量脈沖寬度調制,簡稱空間矢量脈寬調制,比SPWM更為復雜。兩者的區別,請參見文章SVPWM與SPWM的區別。
SPWM稱為疑似正弦波,這里的正弦波是我們的目標波形,在PWM中,目標波形稱為基波,除了基波之外,還含有豐富的諧波。諧波分布及含量主要取決于頻率調制比、幅值調制比及調制方式。
PWM測量包括基波測量及諧波測量,對于電機系統而言,決定輸出扭矩及轉速的主要是基波,因此,基波的準確測量非常重要。
諧波對電機的絕緣及能效有負面影響,因此,諧波測量同樣很重要。
GB/T 22670-2008 變頻器供電三相籠型感應電動機試驗方法對用于PWM波測量的儀器的要求進行了詳細的描述。詳情請參見“電機測試系統全攻略——帶寬要求”
一般用帶寬較寬的功率分析儀及配套的傳感器測量變頻器輸出PWM波的基波和諧波。相關儀器信息請參見“WP4000變頻功率分析儀”、“SP系列變頻功率傳感器”。
SPWM和SVPWM的諧波均集中在開關頻率整數倍附近。SPWM電壓低次諧波含量少,SVPWM電流低次諧波含量少。下圖為注入三次諧波的SPWM相電壓頻譜。

注入三次諧波的SPWM相電壓頻譜
直流斬波電路是一種把一定形式的直流電壓變換成負載所需的直流電壓的變流裝置。它通過周期性地快速開通、關斷,把輸入電壓斬成一系列的脈沖電壓,改變脈沖列的脈沖寬度或頻率可以調節輸出電壓的平均值,因此直流斬波器的基本作用是進行直流電壓的變換,即調壓作用。
直流斬波器除了可以調節直流電壓外,還可以進行調阻和調磁。由直流斬波器和一個固定電阻相并聯,通過直流斬波器的斬波作用,可以調節并聯等效電阻的阻值,這一過程稱為調阻。若將直流斬波器串聯在電機的勵磁回路中,通過斬波作用調節勵磁電流,從而調節電機的磁場大小,這一過程稱為調磁。因此,直流斬波器具有調壓、調阻和調磁的作用。
由于直流斬波器具有調壓、調磁等作用,因此它的應用領域之一是直流電機的調速。直流電機的轉速取決于電樞電壓及磁場的大小,通過直流斬波器的調壓作用,可以調節電機的電樞電壓,達到調速的目的。另外,通過直流斬波器的調磁作用,可以調節電機的磁場及勵磁電流,也可以達到調速的目的。直流電機調速在地鐵、城市無軌電車、電動汽車等運輸車輛上得到了廣泛的應用。
直流斬波器的另一應用領域是直流供電電源。在各種應用場合中,不同用電設備所需要的直流供電電壓的等級不同,采用直流斬波器可以將單一的、不穩定的直流輸入電壓變換成負載所需要的穩定的、不同電壓等級的直流供電電壓,因為直流斬波器工作在開關狀態,因此這種類型的直流供電電源也稱為開關電源。開關電源在計算機、通信等各個領域也得到了廣泛的應用。
另外,由于直流斬波器的工作方式是把輸入直流電壓斬波成為高頻脈沖電壓,將此脈沖電壓通過高頻變壓器隔離后再進行濾波,可以得到與輸入電壓相互隔離的直流輸出電壓,從而使直流斬波器應用在輸入、輸出之間需要隔離的場合中。
PWM控制技術在逆變電路中的應用最具代表性。正是由于在逆變電路中廣泛而成功的應用,才奠定了PWM控制技術在電力電子技術中的突出地位。PWM控制的逆變電路應用已經非常廣泛,大部分逆變裝置基本均采用PWM控制。
PWM控制技術用于整流電路即構成PWM整流電路,可看成逆變電路中的PWM技術向整流電路的延伸。PWM整流電路在變頻器、電力傳動、UPS電源等都獲得了廣泛應用,并有良好的應用前景。