隨著脈沖功率技術在日常生產生活中的日益普及,其能量儲存技術亦受到越來越多的重視。下面本文主要根據現今脈沖功率技術中主要的電容儲能、電感儲能、化學儲能、機械儲能等儲能方式,介紹其相關特點及應用原理。
電容儲能是被研究最早的一種儲能方式,也是目前應用最廣的儲能方式。其技術成熟,可用于毫秒、微妙、納秒量級的脈沖功率裝置中。作為儲能器件,具有容量大、內部電感極小、耐壓高的特性,儲能達數千焦耳至數兆焦耳,缺點是儲能密度低,在10^7J以上的裝置上使用不夠經濟。模塊化電容儲能脈沖功率源系統主要由三個部分組成:
● 電容充電裝置;
● 脈沖成形網絡模塊;
● 測控系統。
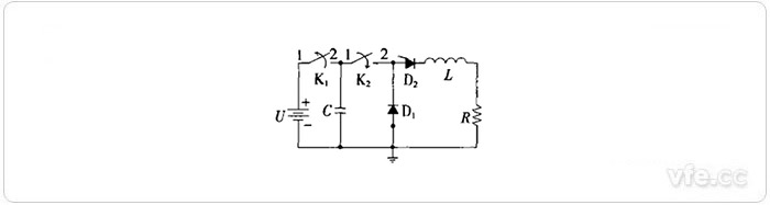
電容儲能脈沖功率源工作原理可以下圖來說明

圖示1:單模塊脈沖功率電源電路
電容儲能式功率脈沖電路包括高壓充電電源U、儲能電容C、阻尼二極管D1、主開關K1、調波電感L和負載R幾部分。開關采用真空觸發開關,應具有極高的di/dt性能。調波電感用來調整負載電流的幅度和脈寬。阻尼二極管的作用是防止反向電壓對電容反向充電,避免損壞電容器。負載R包括軌道阻抗和電樞阻抗。假設開關是理想的,當開關K2閉合時,電容向負載放電,同時向電感充電,此階段為電流上升階段,二極管D1,反偏截止;當電流上升到最大值時,二極管D1正偏導通,阻止電流對電容反向充電,此時電感中積蓄的能量經二極管DI、D2繼續向負載供應,此階段為電流下降階段。整個過程可用如下函數來表示
……1
式1中:


由電路理論可知,當負載電阻很小時,有:
;
……2
式2中,I0為電流最大值;T為電流脈沖底寬。放電電流曲線見下圖3。t<t0負載電流呈正弦變化;t≥t0負載電流呈指數變化。

圖2:放電電流曲線
相比電容儲能,電感儲能的儲能密度高,系統體積小、重量輕、造價降低,因此應用電感儲能有潛力得到更高的能量利用率和脈沖功率,并且電感儲能系統的絕緣問題相對容易解決。目前被廣泛應用于等離子體物理、強激光、電磁輻射等研究領域。
電感儲能可有如下原理圖說明:

圖3:電感儲能原理圖
一般的電感儲能脈沖電源,包含儲能電感器L、給L充電的初級電源P和斷路開關OS組成(如上圖所示),有時還需在負載ZL和L間串接閉合開關cs。當L被充電后斷開os時,能產生一個較高的感應電壓L(di/dt)。在這種裝置中常可儲能10~100MJ,借助os可把能量脈沖“壓縮”到充電時間的1/5—1/10或更小,能把脈沖功率放大到10^14—10^15W。其中初級電源P常為marx發生器、蓄電池等。
化學儲能實際上就是利用儲能材料相接觸時發生化學反應,而通過熱能與化學能的轉換儲存能量儲存起來。它具有很高的儲能密度(例如TNT炸藥儲能密度為5.25*10^3J/cm3。并且它們又能快速脈沖地釋放和轉換成電脈沖,所以現代脈沖功率技術常采用化學能的脈沖發電裝置,除高儲能密度的電化學電源(如蓄電池)外,常用的還有各種形式的磁通壓縮發生器(發電機)、脈沖磁流體發電機和磁流體電容器等。
蓄電池作為一種化學儲能裝置,其原理是使用時先充電,將電能轉化成化學能存儲起來,工作時,將化學能轉換成電能對負載釋放電能。這個過程可以重復多次。在脈沖功率裝置中使用的蓄電池分為兩大類:秒級放電的普通型和毫秒級放電的脈沖型。
暴磁壓縮發生器是利用磁通φ在良導體回路內守恒原理即電感 L 與電流i之間的關系φ=Li,通過化學反應產生的機械力做功,壓縮回路磁通和減少電感 L,則使i增大(因φ守恒)。即將炸藥所含的化學能轉化為電磁能,原理及其典型電路如下圖所示:

圖4:化學儲能原理圖
機械儲能裝置最常見的是脈沖發電機和單機發電機,并且多是先用透平機或電動機把大質量飛輪驅動起來旋轉到高速度,使飛輪慣性地儲存動能,然后突然轉接到脈沖發電機的轉子軸上,使其產生電脈沖輸出,同時飛輪因釋能而被減速或停轉。
飛輪的結構如下圖所示,主要包括5個基本組成部分:
1)采用高強度玻璃纖維(或碳纖維)復合材料的飛輪本體;
2)懸浮飛輪的電磁軸承及機械保護軸承;
3)電動/發電互逆式電機;
4)電機控制與電力轉換器;
5)高真空及安全保護罩。

圖5:飛輪系統組成圖
飛輪儲能系統的工作原理為:系統儲能時,電機作為電動機運行,由電網提供電能經功率電子變換器驅動電機加速,電機拖動飛輪加速儲能,能量以動能形式儲存在高速旋轉的飛輪中;當飛輪達到設定的最大轉速以后,系統處于能量保持狀態,直到接收到一個釋放能量的控制信號,系統釋放能量,高速旋轉的飛輪利用其慣性作用拖動電機減速發電,經功率變換器輸出適用于負載要求的電能,從而完成動能到電能的轉換。由此,整個飛輪儲能系統實現了電能的輸入、儲存和輸出控制。
上一篇:脈沖功率技術簡介
下一篇:測量不確定度的A類評定