非傳統互感器是一種不同于GB 1207 電磁式互感器、GB 1208 電流互感器、GB/T 17201 組合互感器等標準中規定的互感器類型的電流、電壓傳遞比例變換器。非傳統互感器在結構上可由電阻元件、電容元件、電磁元件之一或組合而成,輸出的弱信號可與電子式自動化設備以及電子式儀器儀表的信號輸入端口對接。
對非傳統互感器的誤差一般采用比較法進行測量,下面本文主要根據非傳統互感器技術條件規定介紹采用差值法對非傳統互感器誤差進行測量的方法。
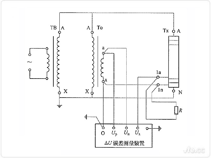
TB——試驗變壓器;TO——電壓比例標準器,可以由標準器級聯組合而成;
Tx——非傳統電壓互感器;R——二次電壓負載電阻。

圖示:差值法原理測量非傳統電壓互感器誤差線路
如上圖所示為使用差值法原理的誤差測量裝置測量非傳統電壓互感器輸出誤差的線路,途中誤差測量裝置為電位差型,檢流計接在差壓回路,調節電壓微差源使檢流計指示平衡時,差壓回路電流接近為零。為了不改變標準裝置和被檢互感器的接地狀態,誤差測量裝置采用高電位端測差方式。
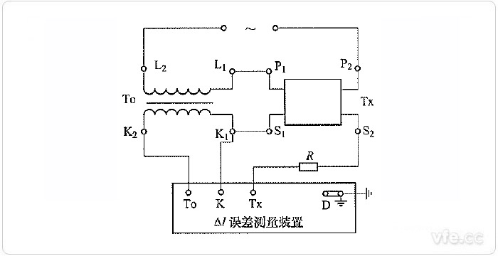
TO——電流比例標準器,可以由標準器級聯組合而成;
Tx——非傳統電流互感器;R——二次電壓負載電阻。

圖示:差值法原理測量非傳統電流互感器電流輸出誤差線路
如上圖所示為使用差值法原理測量裝置測量非傳統電流互感器電流輸出誤差的線路。圖中誤差測量裝置為流比計型,檢流計并接在差流回路,調節電流微差源使檢流計指示平衡時,差流回路電流接近為零。
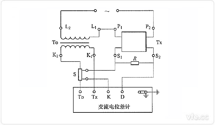
TO——電流比例標準器,可以由標準器級聯組合而成;
Tx——非傳統電流互感器;R——二次電壓負載電阻;S——低感分流器。

圖示:差值法原理測量非傳統電流互感器電壓輸出誤差線路
如上圖所示為使用差值法原理測量裝置測量非傳統電流互感器電壓輸出誤差的線路。誤差測量裝置為交流電位差型,檢流計串接在差壓回路,調節電壓微差源使檢流計指示平衡時,差壓回路電流接近為零。S是準確度不低于0.02級的低感分流器,把電流標準裝置的二次電流變換為與被試互感器二次輸出名義值相同的電壓,然后按阻抗電橋原理測出誤差。